
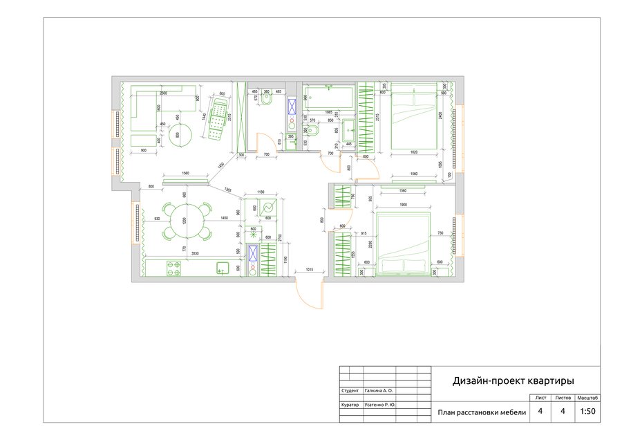
Дизайн-проект трехкомнатной квартиры для двух братьев-близнецов. Студенты медицинского университета, дома бывают только вечерами. Предпочитают современный минимализм, чистые формы и обилие темного дерева.

текстуры


гостиная
кухня
прихожая
спальня 1
спальня 2
санузел
душевая
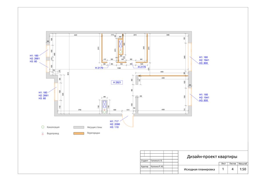
Альбом чертежей